DCDC-Boost电路分析
2024-11-01 09:45
DCDC-Boost电路分析
上期为大家介绍了DCDC-Buck电路的工作原理和占空比的计算,这期为大家介绍DCDC-Boost电路。
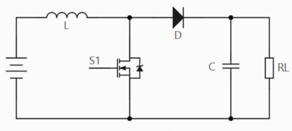
升压电压(Boost)是输出电压≥输入电压的非隔离直流变换器,由电感、电容、二极管和开关器件组成。如下图所示。

升压电路
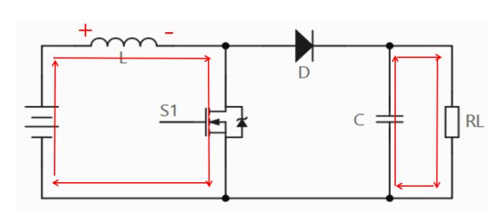
假定开关S1已经断开了很长时间,所有的元件都处于理想状态,电容电压等于输入电压。在充电过程中,开关S1闭合,这时,输入电压流过电感,二极管防止电容对地放电。由于输入是直流电,所以电感上的电流以一定的比率线性增加,这个比率跟电感大小有关。随着电感电流增加,电感里储存了一些能量。当电路工作稳定时,电容存储有一定的能量,此时电容给负载供电。此时电感的感应电压为左正右负,电流流向如下图所示。

S1闭合时,电路电流流向
当开关S1断开时,由于电感的电流不能突变,电感上的电流线性减少,同时电感给电容充电,给负载供电。此时电感的感应电压为左负右正,电感和电源顺向串联,输出电压Uo=
+E,实现升压功能。电流流向如下图所示。

S1断开时,电路电流流向
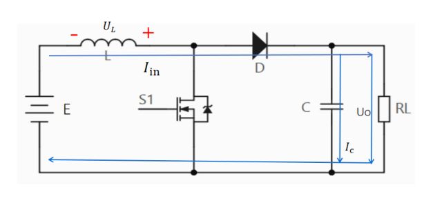
当开关S1导通时,电源给电感充电,此时电感的电压
=E,电感电流
=
=
,电流不流经过二极管,此时二极管的电流为0,电容流过的电流为
。
当开关S1断开,电感给电容充电,给负载供电,此时电感两端电压为
=
,电感电流为
=
,
=
,
,电容电流
。具体电路各元件的电流变化如下图所示。

升压电路工作时各元件电流分析图
升压电路的占空比计算:
根据电感的伏秒(上期有介绍) E×
×
= 0
整理得:
=![]()
其中,
,D为升压电路的占空比,所以
=
×E,因此,升压电路同样是通过控制开关管导通占空比来控制输出电压。
以上便是DCDC电路的所有内容,感谢大家的阅读!
上一篇:
下一篇: